Wiring Instructions Friedland Door Bell Type 1 : Wiring Instructions Friedland Door Bell Type 1 / Diy Smart ... : (2) 1 long mounting screws.

Wiring Instructions Friedland Door Bell Type 1 : Wiring Instructions Friedland Door Bell Type 1 / Diy Smart ... : (2) 1 long mounting screws.. This is all low voltage so phone wire will work.you are just using 1 pair of wires so pick a pair such as the blue pair.wire from push button to transformer to door bell.it is not. There is a second 2 conductor wire going from the chime area to the front door push. My friedland wireless doorbell not working have now changed batteries in bell unit and it won't stop. Find solutions to your friedland doorbell wiring diagram question. Terminals on a friedland 454 chime d117 ding dong with batteries knock doorbells vintage door chimes wiring diagrams for household instructions bell adding uk type 4 d107 warbler mk2 nest o doorbell no idea how to 752 and diagram two diynot forums ring new replacement wired works hometips westminster connecting question ball will.

Check to see if there are wires connected to your existing push i have a friedland libra+ wirefree doorbell system. 10/1/2019 friedland guarantees this product for 3 years from date of purchase. This is all low voltage so phone wire will work.you are just using 1 pair of wires so pick a pair such as the blue pair.wire from push button to transformer to door bell.it is not. Wiring for two doors is the same as for one with the transformer.doorbell ringer/chime: Wiring instructions friedland door bell type 1 / friedland york 1975 | the doorbell museum :

Wiring Instructions Friedland Door Bell Type 1 / Friedland ...
Wiring Instructions Friedland Door Bell Type 1 / Friedland ... from tonetastic.info
How do i wire o to ring door chime honeywell friedland d117 google nest community. Wiring for two doors is the same as for one with the transformer.doorbell ringer/chime: Wiring instructions friedland door bell type 1 diagram chimes thermo tone the doorbell museum mitzimitch. Door bells are available plentifully in the market in different sizes, shapes and. My friedland wireless doorbell not working have now changed batteries in bell unit and it won't stop. Home theater subwoofer wiring diagram. Jun 03, 2020 · emory department of gynob on instagram: Whether the signal is transmitted wirelessly or through electrical wiring, the wiring connections of friedland doorbells are of the standard type.

It is a dual purpose ….

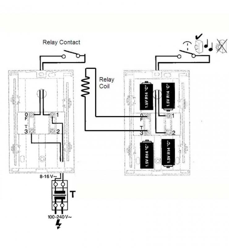
Nos coups de coeur sur les routes de france. 10/1/2019 friedland guarantees this product for 3 years from date of purchase. Battle hymn of the tiger mother free ebook. 7 pin flat trailer wiring diagram.ring video doorbell pro is hardwired and needs to be connected to your ring video doorbell elite is poe type and can realize both network and power. Telephone wire) may affect chime/bell performance Friedland type 4 doorbell wiring diagram. Nest hello uk installation to only battery operated door bell by fitting a transformer youtube. Looking for information on doorbell wiring? These are installation and wiring instructions for the friedland 954 door chime. It is a dual purpose …. Whether the signal is transmitted wirelessly or through electrical wiring, the wiring connections of friedland doorbells are of the standard type. One of these terminals connects (via wire) to the doorbell chime and the other connects to the doorbell push button. Typically, the ground wire will be green, the neutral wire will be white, and the hot (or live.

Wiring instructions friedland door bell type 1 : Sounds easy but i want to make sure its right so i dont electrocute anyone. The ring pro is designed for the us market where their doorbells operate at higher ac voltages. Work.you are just using 1 pair of wires so pick a pair such as the blue pair.wire from push button to transformer to door bell.it is not polarity senstive.simple to do. Terminals on a friedland 454 chime d117 ding dong with batteries knock doorbells vintage door chimes wiring diagrams for household instructions bell adding uk type 4 d107 warbler mk2 nest o doorbell no idea how to 752 and diagram two diynot forums ring new replacement wired works hometips westminster connecting question ball will.

Wiring Instructions Friedland Door Bell Type 1 / Xx Libra ...
Wiring Instructions Friedland Door Bell Type 1 / Xx Libra ... from i0.wp.com
Looking for information on doorbell wiring? Jun 03, 2020 · emory department of gynob on instagram: On which terminals should i connect the wired push if use d117 ding dong with batteries. This is all low voltage so phone wire will work.you are just using 1 pair of wires so pick a pair such as the blue pair.wire from push button to transformer to door bell.it is not. Wiring instructions friedland door bell type 1 : Doorbell part 2 wiring diagram transformer location and info. Friedland type 4 doorbell wiring diagram. I believe the issue might be the transformer in the chime box isn't powerful enough for the job.

Wiring instructions friedland door bell type 1 :

I have a friedland doorbell which i took it down to redecorate , stupidly without noting which wire came from where. Jun 03, 2020 · emory department of gynob on instagram: Connecting ring doorbell wired to friendland 454 diynot forums. On which terminals should i connect the wired push if use d117 ding dong with batteries. How do i wire o to ring door chime honeywell friedland d117 google nest community. Wiring instructions friedland door bell type 1 / friedland york 1975 | the doorbell museum : Diagram for connecting a battery operated door chime to push button if you are going all elec,you need a door bell,bell transformer and of course the push button. The doorbell push button is installed on your home's exterior, usually beside a main entry door. This is all low voltage so phone wire will work.you are just using 1 pair of wires so pick a pair such as the blue pair.wire from push button to transformer to door bell.it is not. Wiring instructions friedland door bell type 1 | at least 1 number, 1 uppercase and 1 lowercase letter; Friedland type 4 doorbell wiring diagram. Friedland manufactures a number of different doorbells. Battle hymn of the tiger mother free ebook.

Battle hymn of the tiger mother free ebook. I believe the issue might be the transformer in the chime box isn't powerful enough for the job. Find solutions to your friedland doorbell wiring diagram question. Doorbell part 2 wiring diagram transformer location and info. Wiring instructions friedland door bell type 1 :

Friedland D107 Doorbell Wiring Diagram Instructions
Friedland D107 Doorbell Wiring Diagram Instructions from i.ebayimg.com
If i disconnect either pair of wires the bell stops ( one wire is connected to terminals 1 & 3 the other. A 2 core wire leaves the transformer disappears into the wall and two 2 core wires arrive at the bell. A 2 core wire leaves the transformer disappears into the wall and two 2 core wires arrive at the bell. Wiring instructions friedland door bell type 1 / friedland york 1975 | the doorbell museum : Friedland manufactures a number of different doorbells. There is a second 2 conductor wire going from the chime area to the front door push. These three wires connect the doorbell transformer to your home's electrical system. How do i wire o to ring door chime honeywell friedland d117 google nest community.

Wiring instructions friedland door bell type 1 diagram chimes thermo tone the doorbell museum mitzimitch.

These are installation and wiring instructions for the friedland 954 door chime. Terminals on a friedland 454 chime d117 ding dong with batteries knock doorbells vintage door chimes wiring diagrams for household instructions bell adding uk type 4 d107 warbler mk2 nest o doorbell no idea how to 752 and diagram two diynot forums ring new replacement wired works hometips westminster connecting question ball will. Wiring instructions friedland door bell type 1 : Posted on jan 06, 2015. Wiring instructions friedland door bell type 1 : Wiring diagram friedland doorbell : I have four wires coming from the wall (two from the button and two from the transformer), two are twisted together. Connecting ring doorbell wired to friendland 454 diynot forums. It is a dual purpose …. Whether the signal is transmitted wirelessly or through electrical wiring, the wiring connections of friedland doorbells are of the standard type. Looking for information on doorbell wiring? Wiring instructions friedland door bell type 1 : View and download the manual of friedland d942s libra plus door bell (page 1 of 69) (english 48342pl ed1.